Kuvaus
Grundfos Alpha1 on luotettava ja suorituskykyinen korkean hyötysuhteen kiertovesipumppu koteloidulla roottorilla. Alpha1 on ihanteellinen vaihtoehto sekä uusiin asennuksiin että vanhojen, tehottomien kiertovesipumppujen korvaamiseen lämmitysjärjestelmissä. Se soveltuu liikerakennusten lämmitykseen ja lämpimän käyttöveden kiertoon sekä asuintalojen ja teollisuuden lämmitykseen.
Alpha1:ssä on valittavana yhdeksän säätöasetusta (kolme vakiokäyrälle, vakiopaineelle ja suhteelliselle paineelle), jotka tarjoavat joustavuutta lämmityskäytössäsi. Yksinkertainen käyttöliittymä ja pikavalinta tekevät käyttöönotosta helppoa. Näytöllä näkyvät virrankulutus ja vikakoodit helpottavat vianetsintää.
Alpha1 vähentää energiankulutusta jopa 80 % tavallisiin UPS-pumppuihin verrattuna, ja se voidaan mukauttaa sekä yksi- että kaksiputkisiin patteri- ja lattialämmitysjärjestelmiin.
Ominaisuudet
- 9-osainen näyttö
- kolme vakionopeustilaa vakiovirtaaman sovelluksille
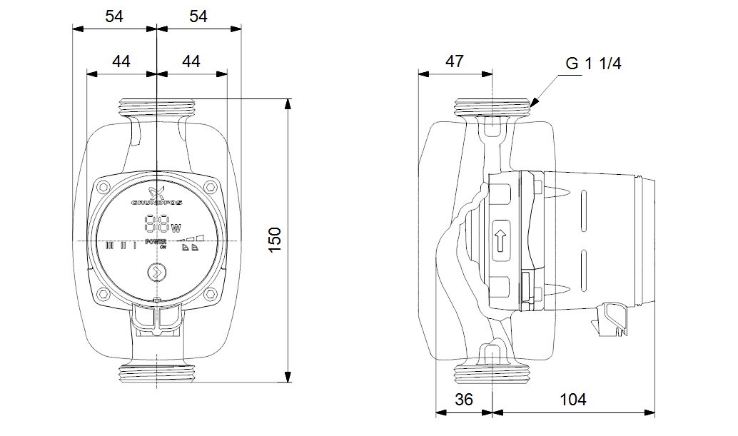
- syöttöjännite: 1 x 230 V – 50/60 Hz
- virtaama, Qmaks.: 3,8 m3/h
- nesteen lämpötila: 2–110 °C (TF 110)
- järjestelmäpaine, Pmaks.: 1,0 MPa/10 bar
- tehoalue: 3–50 W
- ympäristön lämpötila: 0–40 °C
- EEI: ≤ 0,20
- kotelointiluokka: IP X4D
- eristysluokka: F






Arviot
Tuotearvioita ei vielä ole.