Kuvaus
T.I.P. kiertovesipumppu HZP 25-60-180 ECO on varustettu kestomagneettimoottorilla ja paine-erosäädöllä, joka mahdollistaa pumpun tehon säädön erilaisiin sovelluksiin. AUTO-toiminnon (tehdasasetuksena) ansiosta pumppu voidaan useimmissa tapauksissa ottaa suoraan käyttöön ilman lisäasetuksia. Energian kulutus on merkittävästi pienempi kuin tavallisilla kiertopumpuilla. Lisäasetuksiin kuuluu mm. automaattinen yöalennus.
Ominaisuudet ja tekniset tiedot:
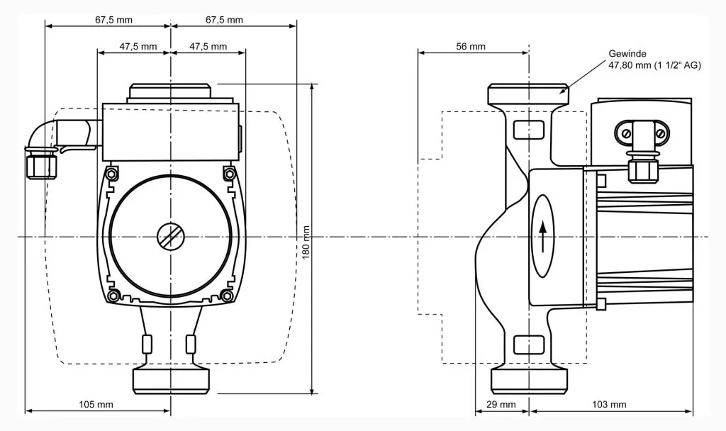
- Pumpun liitäntä: ulkokierre 47,80 mm (1 1/2″)
- Asennusmitta: 180 mm
- Energiatehokkuusindeksi (EEI): 0,1979
- Eristysluokka: F
- Pumpatun nesteen enimmäislämpötila (Tmax) / lämpötilaluokka: 95 °C / TF 95 (IEC 60335-2-51 mukaan)
- Suurin sallittu käyttöpainetta: 10 bar
- Nimellisteho (P1): 5–45 W
- Verkkovirta / taajuus: 220–240 V~ / 50 Hz
- Maksimipintalämpötila: ≤ 125 °C
- Suhteellinen ilmankosteus: enintään 95 %
- Äänenpainetaso (LpA): < 43 dB(A)
- Suojausluokka / kotelointiluokka: Luokka I / IP44
- Maksimituotto: 11,5–60 l/min
- Pumpatun nesteen alin lämpötila: 2 °C
- Mitat (leveys × syvyys × korkeus): 15 × 13 × 18 cm
- Ympäristön alin käyttölämpötila: 2 °C
- Ympäristön ylin käyttölämpötila: 40 °C
- Paino (netto): 2,3 kg
Voidaan käyttää Grundfos 25-40 ja 25-60 sekä Wilo 1-4 ja 1-6 tilalla.
Yleisesti ottaen sopii lähes kaikkiin pientaloihin.
Jos et ole oikein varma että sopiiko, niin lähetä kuva vanhan pumpun tyyppikilvestä tai vaihtoehtoisesti sen merkki ja malli sekä pumpun pituus (tyypilliseti 130 tai yleisimmin 180mm) mailto:aspa@putkia.fi niin tarkistetaan se.
Huomaa että tämä pumppu ei sovi jäähdytyssovelluksiin, alin pumpattavan nesteen lämpötila on +2.






Arviot
Tuotearvioita ei vielä ole.